
这不禁令人思考:低辐照性能和光谱响应是正相关的关系吗?为什么低辐照下组件的性能会降低?首先,需要了解一些低辐照和光线波长的知识,从技术角度进行分析。
短波长发电优势≠低辐照优势
低辐照指的是太阳辐照度弱。太阳辐照度是指太阳辐射经过大气层的吸收、散射、反射等作用后,到达地球表面时,单位面积单位时间内的辐射能量,其单位为瓦特/平方米(W/㎡)。太阳辐照度的数值越大,表示太阳光中的能量越高,举例说明,晴天时辐照强度高,阴天时辐照强度低。
光伏组件铭牌上标注了STC条件下产品的电性能参数,比如功率、开路电压、短路电流、工作电压/电流等。STC条件指的是标准测试条件,其中太阳辐照度是1000W/m²,一般称之为标准太阳辐照度,而低于标准太阳辐照度的太阳光,一般被称为“低辐照”。
光谱响应指光阴极量子效率与入射波长之间的关系,表示太阳能电池对不同波长入射光能转换成电能的能力。光线波长指的是一个完整的波周期长度,在太阳光谱中,包含了从各种波长的光线,其中波长较短的部分一般称为紫外光。从下图可以明显的看出,在太阳光中短波长的紫外部分的含量非常少,绝大部分能力集中在400~750nm的可见光部分。

从定义可以很直接的看出,低辐照指的是太阳辐照度的强度低,短波长指的是太阳光中部分光线波长较短。从占比上看,短波长的紫外部分只占太阳光全光谱的5%左右。
5%的短波长发电优势远<90%低辐照优势
在户外的实际环境中,存在着许多影响太阳辐照度的因素,比如太阳高度,太阳高度在一天中不断变化,太阳高度低时,光线穿过大气的路程较长,其能量衰减也多;再比如天气情况,在多云及阴天情况下,太阳光到达地表要穿过厚厚的云层,而云层对太阳光的辐照度有很强的削弱作用。总之,正常地表太阳辐照度往往很难达到1000W/m²。以下为全球多个地区的太阳辐照度统计表,可以看出,一般地区90%以上的时间实际太阳辐照度都低于标准太阳辐照度,处于低辐照状态。

也即,光伏组件大部分时间都是在低于1000W/m²的辐照度下工作,因此低辐照性能越优,组件单瓦发电能力越高。这意味着,组件的低辐照性能对其实际发电收益有着很大影响。
从占比上看,太阳光中低辐照的占比一般高达90%以上,短波长的紫外部分只占太阳光全光谱的5%左右,除了占比非常低之外,太阳能电池在短波段的响应也远低于可见光波段,对发电量的影响微乎其微。所以,低辐照优势绝对不等于短波长发电量优势,用短波长上的光谱响应来证明BC产品的低辐照优势,是不正确的。
BC低辐照性能差由自身结构决定
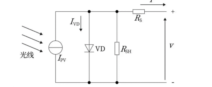
要搞清楚低辐照下光伏组件的输出性能为什么会降低,要从光伏组件的二极管模型谈起,下图是光伏组件二极管模型的等效电路,图中Ipv是光生电流,即太阳能电池在光照下产生的电流,Ivd是二极管分流电流,Rs和Rsh分别是串联电阻、并联电阻,I和V分别是最终输出的电流、电压。

从图上可以很容易看到,流经并联电阻Rsh的电流是损失掉的漏电流,在电压基本不变的情况下,Rsh越小,其漏电流Irsh=V/Rsh就越大,损失的电流就越多;当太阳辐照度变弱时,Ipv会等比例降低,但是漏电流并不会等比例降低,所以流经并联电阻Rsh的漏电流在总电流Ipv中的占比相对增加;漏电流越大,占比增加的就越明显。因此可以得到一个结论:电池片的漏电流越大,即Rsh越低,其低辐照性能就越差。
这里又会产生一个疑问,为什么BC电池的Rsh会偏低呢?
从电池结构上说,由于BC电池需要把所有电极转移到背面,正负极的隔离全靠无扩散的数百条隔离槽来实现,其它双面电极技术电池(比如TOPCon)的隔离为四个边缘的无扩散区,数量仅为4条,XBC电池隔离槽数量高出数十倍,出现漏电流的概率增加了数十倍,一旦出现不可控的漏电流,组件就会出现严重的功率损失和热斑问题,所以现在的BC电池厂家为了追求漏电通道可控,人为的制造了所谓漏电通道,刻意的降低了电池的Rsh,所以BC产品的Rsh明显低于TOPCon产品。已知漏电流越大、Rsh越低的产品低辐照性能就越差,因此BC产品的低辐照性能要差于TOPCon产品就显而易见了。而这也已经得到了实证数据的支持:近期国家电网张北实证数据显示,200W/m2的辐照强度下,TOPCon的低辐照性能相比XBC高约2.6%,而以往的实测数据显示TOPCon低辐照性能比BC最高约5%。

总结
综上所述,由于结构问题,BC电池的低辐照性能明显差于TOPCon电池,某些营销宣传中,把短波长的光谱响应和低辐照性能两个毫不相关的因素混淆在一起,不仅无法帮助读者更好的理解BC和TOPCon发电量差异的本质,更会对广大投资者产生一定的误导,如果最终收益无法达到预期,就会从而进一步削弱整个社会对新能源行业的信心,不利于整个行业的健康发展。
特别声明:本站转载其他网站内容,出于传递更多信息而非盈利之目的,同时并不代表赞成其观点或证实其描述,内容仅供参考。版权归原作者所有,若有侵权,请联系我们删除。
浙江省太阳能光伏行业协会




